Schematics

Download all latest schematics, PCBs and bills of materials for 32 inputs version in KiCad and PDF formats from MegaDrum forum (forum registration required)

Click the images to see full size versions.

MegaDrum Atmega32 Digital Board

digital board

MegaDrum Analogue Board - 32 inputs version.

analogue board

MegaDrum LCD, Keyboard, Rotary Encoders (optional) and MIDI In/Out (optional)

lcd midi controls

MegaDrum Input Sockets
input sockets

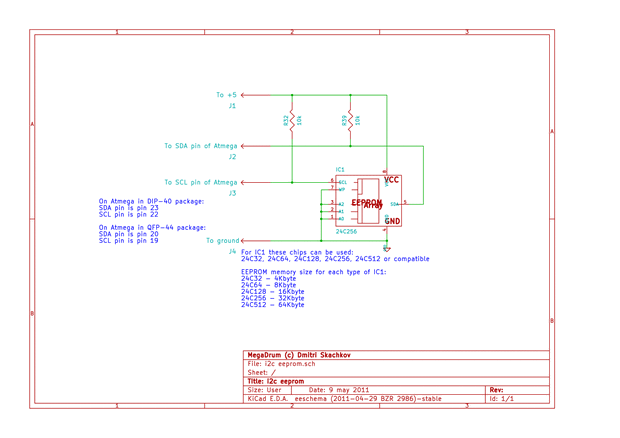
Optional. EEPROM extension

 i2c_eeprom_small.png

ISP (for Atmega) and ICSP (for PIC18F2550) programming cables
programming cables